Gigs Amps Logo

Current Amp Builds

Click the button to expand the specific build info, all the details are hidden behind the specific button.


The Marshall Dual Video Series:


Here are links to the Schematics and Layouts:

Preamp

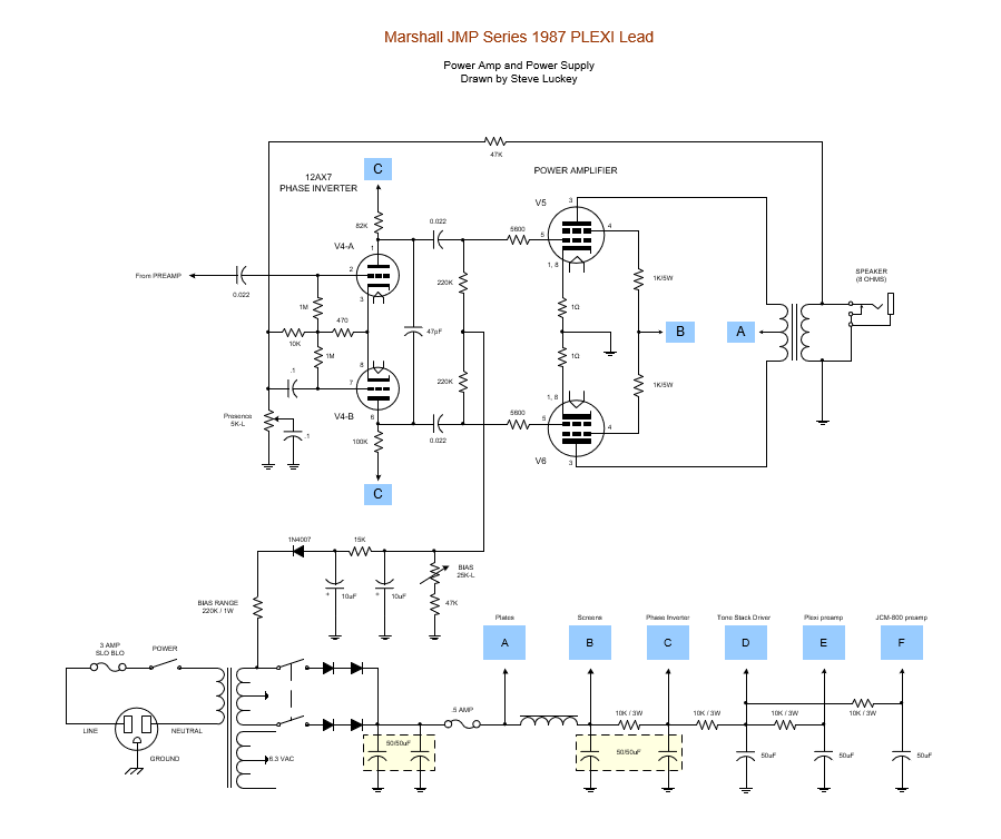
Poweramp

Original Sluckey Layout


With Cap Cans


My Final Layout for the amp



Here is the playlist for my Dumble Overdrive Special #124 build:


Here is the playlist for my Tweedle Dee Deluxe build:

The Tweedle Dee Deluxe Video Series:



We've got the old pdf file of the layout for my dummy load, as requested on Youtube. I've noted an error. The resistor values are wrong, left to right they should be: 8 4 2 4 4 (ohms each).

  • DummyLoad.pdf
  • which was taken from
  • Aiken Amps
    Basically, you have the right two in parallel, which creates 2 ohms, then the next is 2 ohms and with the previous creates 4 ohms, then you add in another 4 and get 8, and finally another 8 gives you 16 (it's in reverse order to what I'm explaining, rightmost to left)

  • Our latest builds

    Amp Builds